发布时间:2026-03-24 已被浏览 179 次
卫浴品牌采用DX-BT35模块升级冷浴机后,用户可通过APP预设“运动恢复模式”(冷水喷射+激昂音乐)或“冥想模式”(温水循环+自然白噪音)。实测数据显示,模块在10米距离内信号稳定,音频延迟≤40ms,用户体验显著提升。
1. 无线音频系统的集成
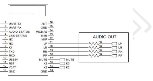
桑拿房冷浴机通常需要营造放松的环境氛围。通过DX-BT35的A2DP协议,用户可将手机音乐无线传输至冷浴机内置音箱,并利用AVRCP协议实现播放/暂停、切歌、音量调节(通过K2/K3按键)。模块的音频ADC支持麦克风输入,未来可扩展语音控制功能。

2. 智能化控制与数据透传
水温与水流控制:冷浴机的主控MCU通过UART接收蓝牙指令,调节加热器功率和水泵转速。
灯光与香氛联动:模块的SPI接口可驱动RGB LED灯带,实现动态色彩切换;I2C接口连接香氛机,触发不同香气模式。
故障报警与OTA升级:当检测到水温异常或水泵故障时,模块通过BLE向用户手机发送报警信息;SPP协议支持固件无线升级,降低售后维护成本。
3. 人机交互优化
按键逻辑定制:K1键支持单击(播放/暂停)、双击(拒接电话)、长按(蓝牙配对),用户可根据需求自定义功能。
状态指示灯:底板上的蓝牙状态灯(绿色)和音频状态灯(蓝色)实时反馈设备连接状态,提升操作直观性。
【模块推荐】




1. 模块介绍
1.1. 概述
DX-BT35 蓝牙模块是深圳大夏龙雀科技有限公司为智能无线音频播放和数据传输打造,采用高性能SOC 集成芯片,遵循蓝牙 BLE 5.2 协议规范,拥有先进的音频处理和最低功耗的音频应用。该模块拥有一个高性能蓝牙射频收发器、一个功能丰富的基带处理器、一个内存控制器、多个模拟和数字外设,以及包括音频、语音和 SPP 配置文件在内的蓝牙协议栈。支持蓝牙 LE,BR 和 EDR。支持 AT 指令,用户可根据需要更改串口波特率、设备名称等参数,使用灵活。本模块支持 UART、SPI、I2C 等接口,支持 IO 口控制、ADC 采集,具有成本低、功耗低、接收灵敏度高等优点,只需配备少许的外围元器件就能实现其强大功能,并可根据客户需求定制开发各种项目。
1.2. 特点
蓝牙:
蓝牙 5.2 协议
支持蓝牙 LE, BR 和 EDR
蓝牙配置文件:A2DP, AVRCP, HFP, GATT 和 SPP
支持基本速率(BR)、增强数据速率(EDR)2 Mbps、3 Mbps
真正的无线立体声和两个活动链路
快速链路设置和快速角色切换
支持 USB,UART,IIC,SPI,GPIO 硬件接口
核心和内存:
32 位 MCU,最高 120MHz
512KB 或 1MB Flash
128 KB RAM
128 KB ROM
64 KB 缓存
32 位 eFuse
UART 用于下载和调试
外设接口:
11 个 GPIO 口:可通过软件进行配置,实现各种功能
2 个 UART 口:通用异步接收/发送接口
高达 6 倍 32 位 PWM
2 倍音频 ADC
6 倍通用 32 位定时器/计数器
时钟管理:
外部振荡器:26 MHz 晶体振荡器(X26M)
内部振荡器:32 kHz 环形振荡器(ROSC)
120 MHz 锁相环
电源管理:
电压范围:2.8~4.35V(参考值:3.3 V)
喇叭支持最大瓦数:3W
芯片上电复位(POR)和停电检测器(BOD)
嵌入式 buck (DC-DC)转换器和 LDO 稳压器
可选择板载天线或外接天线
工作温度:-20~+85 ℃